Нижний Новгород
Нижний Новгород ваш город?
Да
Выбрать другой город
Написать в
MAX
Каталог

Командоконтроллер ЕMT со встроенным термостатом Греерс

Бренд:Греерс
К сравнению
В избранное
Артикул:31195
-15%
Командоконтроллер ЕMT со встроенным термостатом Греерс
Командоконтроллер ЕMT со встроенным термостатом Греерс
Командоконтроллер ЕMT со встроенным термостатом Греерс
Командоконтроллер ЕMT со встроенным термостатом Греерс
Комплектующие для
водяных тепловентиляторов ГРЕЕРС ВС с двигателем типа ЕС
Электропитание:
220
Гарантия:
2 года
Размер (Ш×В×Г), мм:
86 × 86 × 43
Вернем 183.69 руб.Возвращаем 2% от стоимости на ваш бонусный счет за покупку. Например, если вы совершили покупку на 10000 рублей, то на ваш бонусный счет будет зачислено 200 рублей

Подробнее

9 184,25 10 805
С НДС 22%
11
Информация о доставке
Самовывоз
Транспортная компания GTD
Рассчитываем стоимость доставки...
ТК Деловые Линии
Рассчитываем стоимость доставки...
СДЭК ПВЗ или курьер
Рассчитываем стоимость доставки...
Прочее
Доставка любой ТК (Оплата по факту, Покупателем)
Бесплатно
Описание
Характеристики
Отзывы
Сопутствующие файлы
Вопрос-Ответ 0

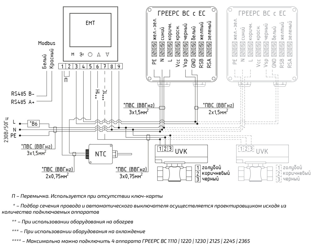
Командоконтроллер ЕMT со встроенным термостатом

Командоконтроллер ЕMT со встроенным термостатом и недельным таймером применяется с водяными тепловентиляторами ГРЕЕРС ВС с двигателем типа ЕС.

Возможности командоконтроллера:

  • Автоматическая или ручная регулировка работы;
  • Контроль температуры воздуха в помещении (через открытие/закрытие клапана или настройку производительности тепловентилятора);
  • Подключение внешнего датчика температуры NTC;
  • Подходит для европейской и стандартной соединительной электрической коробки;
  • Максимальная длинна провода управления 50 м.

Возможности подключения:

  • до 4 аппарата ГРЕЕРС ВС 1110ЕСМ | 1220ЕСМ | 1230ЕСМ
  • до 4 аппарата ГРЕЕРС ВС 2125ЕСМ | 2245ЕСМ | 2365ЕСМ

Навигация:

Технические характеристики:

Питание: 240 В/50 Гц
Регулировка: сенсорные кнопки
Диапазон настройки температуры: +5...+35° С
Диапазон рабочей температуры: +5...+99° С
Датчик температуры: встроенный внутренний / внешний NTC (опционально)
IP: 20
Коммуникация с BMS: Протокол MODBUS-RTU, стандарт RS485

Схема подключения командоконтроллера ЕМТ с ЖК-дисплеем для аппаратов с ЕС-двигателями****

Россия Россия — страна бренда
Россия Россия — страна производства
Характеристики
Особенности оплаты:
Общие характеристики
Бренд:
Вид комплектующего:
Комплектующие для
Цвет:
Гарантия:
Электропитание:
Тип двигателя:
Степень пылевлагозащиты:
Габаритные размеры
Размер (Ш×В×Г), мм:
Отзывов ещё нет — ваш может стать первым.
Все отзывы 0
Оцените товар:
Нажмите на кнопку или перетащите фото в эту областьдо 10 изображений PNG, JPEG.
Спасибо!Ваш отзыв появится на сайте после проверки.
Средняя оценка покупателей
0.0 из 5 звезд
Сопутствующие файлы
Не заполнено поле "Имя"
Не заполнено поле "Email"
В тексте вопроса должно быть как минимум 3 символа